産品中(zhong)心
産品(pǐn)詳情
産品概述
消(xiāo)防對夾蝶閥是引(yin)進國外先進技術(shu)而自行開發的💰中(zhong)線❌型蝶閥,它具有(yǒu)結構簡單,密封可(kě)靠,開啓輕便、壽命(ming)長、維護方便等優(you)點。故被廣泛地應(ying)用于給排水、建築(zhù)消防等系統各種(zhong)管道上,尤其在消(xiao)防管路中。本信号(hào)閥可明白無誤的(de)顯示出閥門開關(guan)狀态,具有直觀、清(qīng)晰、可靠的反映出(chū)消防系統中的工(gong)作狀态,所以廣泛(fan)、大量的适用于消(xiāo)防系統中。
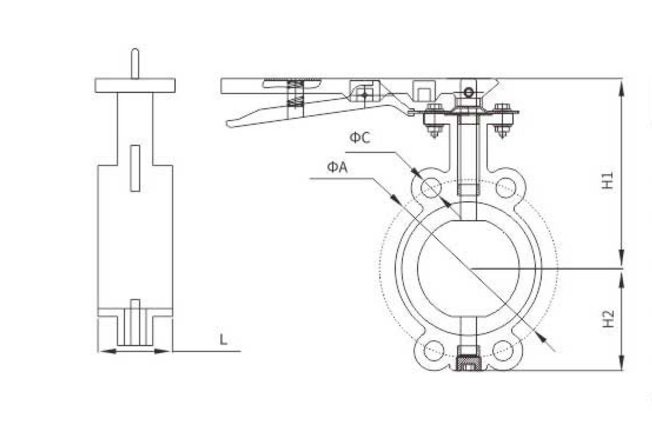
主(zhǔ)要外形連接尺寸(cun)
|
型号Model |
DN |
ΦA-ΦC |
H1 |
H2 |
|
|
ZSDF 7-Q-50-D71X |
110-16 125-16 |
42 |
163 |
70 |
|
|
ZSDF 7-Q-65-D71X |
65 |
168 |
75 |
||
|
ZSDF 7-Q-80-D71X |
80 |
160-18 |
46 |
177 |
90 |
|
ZSDF 7-Q-100-D71X |
100 |
180-20 |
192 |
105 |
|
|
ZSDF 7-Q-125-D71X |
210-24 |
51 |
205 |
115 |
|
|
ZSDF 7-Q-150-D71X |
150 |
240-25 |
55 |
219 |
蘇公網安備 32010202011315号(hào)